カニクレーン

  • 定自

CADデータ
カタログPDF

スペック

商品コード DKH 29N0B
メーカー 古河ユニック
商品名 2.93t吊りカニクレーン
型式 UR-W295CMRS
最大吊上荷重(kg) 2,930
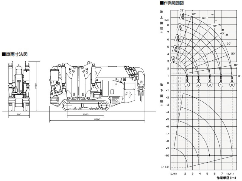
最大作業半径(m) 8.41
ブーム段数(段) 5
登坂能力(度) 20
走行速度(km/h) 0~2.3
駆動方式 AC200V電動モーター・ガソリンエンジン併用式
燃料 ガソリン
燃料タンク(L) 6.0
寸法 全長L(mm) 2,690
全幅W(mm) 600
全高H(mm) 1,430
車両重量(kg) 1,980

 

定格総荷重表[アウトリガ最大張出時 / 含フック重量 30kg]
使用ブーム①、①+②
作業半径(m) ~1.4 1.8 2.0 2.5 3.0 3.5 3.83
定格総荷重(t) 2.93 2.28 2.08 1.68 1.33 1.03 0.93
使用ブーム①+②+③
作業半径(m) ~2.9 3.0 3.5 4.0 4.5 5.0 5.37
定格総荷重(t) 1.38 1.28 1.03 0.83 0.68 0.55 0.46
使用ブーム①+②+③+④
作業半径(m) ~3.8 4.0 4.5 5.0 5.5 6.0 6.89
定格総荷重(t) 0.88 0.78 0.63 0.53 0.45 0.39 0.3
使用ブーム①+②+③+④+⑤
作業半径(m) ~4.1 4.5 5.0 5.5 6.0 7.0 8.0 8.41
定格総荷重(t) 0.58 0.48 0.4 0.34 0.3 0.23 0.18 0.16

※旋回角度は360度です。